×ÉѯÈÈÏß
ÔÚÏ߿ͷþ
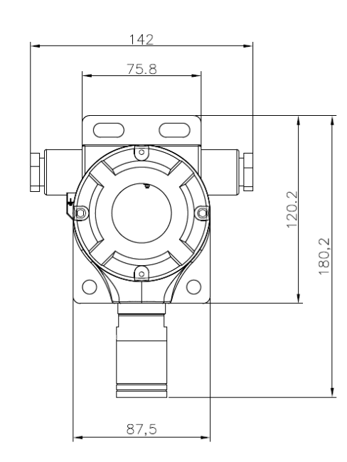
Öö¥


| ¼¼Êõ²ÎÊý | ²ÎÊýÖµ |
| ÏÔʾ·½·¨ | LEDÊýÂë¹Ü |
| ±¨¾¯Ìáʾ | ³¬¸ßÁÁ·¢¹â±¨¾¯Ö¸Ê¾ |
| ÕÉÁ¿Îó²î | ζȣº¡Ü¡À0.5¡æ ʪ¶È£º¡Ü3%RH |
| ÊÂÇéµçѹ | DC£¨12¡«30£©V£¬ÍƼöDC24V |
| ·À±¬Æ·¼¶ | Ex d ¢òC T6 Gb |
| ´«Êä¾àÀë | ¡Ü1000m |
| ²Ù×÷·½·¨ | ºìÍâÒ£¿Ø |
| ±¨¾¯µã | Ò»¼¶±¨¾¯£¨Óû§¿É¸ü¸ÄÉ趨£© ¶þ¼¶±¨¾¯£¨Óû§¿É¸ü¸ÄÉ趨£© |
| ÕÉÁ¿¹æÄ£ | ζȣº£¨-40¡«80£©¡æ ʪ¶È£º£¨0¡«100£©%RH |
| ÐźÅÊä³ö | RS485×ÜÏßÐźŠ£»4-20mAÊä³ö |
| ·À»¤Æ·¼¶ | IP68 |
| ʹÓõçÀ | 3¡Á1.5mm2»ò4¡Á2.5mm2ÆÁ±ÎµçÀ |

ɨһɨ
ÁªÏµµç»°,ËæÊ±ÎªÄúЧÀÍ18898582787
Ãâ·Ñ×Éѯ ³ö¼Æ»® ±¨¼Û¸ñ Ò»¼ü²¦´ò£¬»ñÈ¡ÓŻݱ¨¼Û 188 9858 2787